Description
Explosion Proof Enclosure
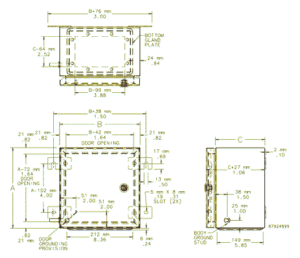
- Hoffman ATEX 503516SS61, Zonex Hazardous Location Enclosure
- 1Gp, 500X350X160Mm, SS Type 316
ZONEX Explosion-Proof Enclosure holds the design and certification needs to meet ATEX Directive 94/9/EC and Ice standards for increased safety in housing electrical components in Zone 1 and Zone 2 applications. Hoffman’s ATEX Ex e enclosures are not viable nor intended for use in Explosion-Proof or flame-proof applications. The ZONEX Explosion Proof-Enclosure dons protection from Type 316 stainless steel, with Ex e. Ice e certification for maximum safety. Additionally, the enclosure includes a 3-mm thick individual welded-on top and bottom wall-mounting brackets for improved performance.
Ex Proof Enclosure Specifications:
- BRAND Hoffman
- MANUFACTURERS PART NUMBER ATEX 503516SS61
- TYPE 4X
- CONSTRUCTIONS S Type 316
- DESCRIPTION ATEX and Ice-Certified
- NUMBER OF GLAND PLATES 1
- A X B X C MM 500 x 350 x 160
- A X B X C INCHES 19.69 x 13.78 x 6.30
- PANEL SIZE D X E MM 454 x 304
- PANEL GAUGE 17.89 x 11.98
Additional Resources
Learn more about enclosures, NEMA ratings, and Explosion-Proof protection methods with the Intrinsically Safe Store blog. Furthermore, you can read about the difference between IS and Explosion-Proof enclosures in the article below.




























What others are saying
There are no contributions yet.